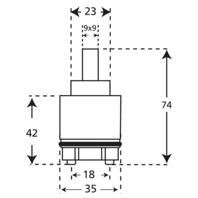
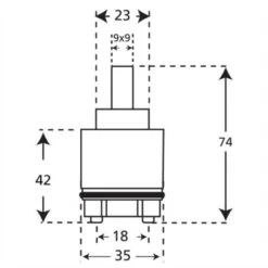
A replacement cartridge suitable for most single lever bathroom and kitchen taps that requires a raised open outlet type 35mm diameter cartridge.
Manufactured in Europe for durability and reliability.
- The joystick is 9mm x 9mm – this fits all lever handles
- Compatible with Kerox K35B cartridge
Key measurements
35mm diameter
18mm between locating lugs
74mm total height (including locating lugs)











Reviews
There are no reviews yet.